
告消费者书:
——关于近期网传“巨子生物可复美产品检测未添加重组胶原蛋白成分”的严正声明
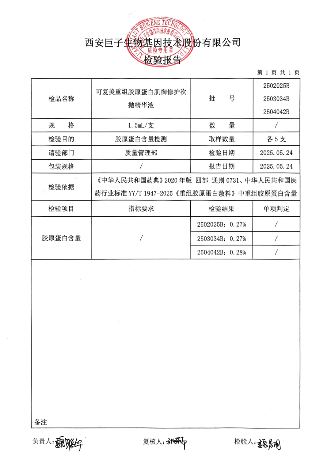
关于网络上传播的“巨子生物可复美产品检测未添加重组胶原蛋白成分”等的不实指控,现作出以下声明:首先,针对所谓“巨子生物涉嫌严重造假”“重组胶原测不到”等不实指控,我们予以严正驳斥并坚决否认。作为重组胶原蛋白领域的国家高科技企业,巨子生物始终恪守科研伦理与产业责任,所有产品研发生产全程严格遵循《化妆品监督管理条例》及《化妆品注册备案管理办法》等相关法规要求,成分标注均按法定标准执行并通过药监部门审核备案。我们郑重声明:上市产品均经原料投料核查、生产工序质控、成品质量检测三重验证体系,确保产品质量安全可靠,不存在任何成分造假或隐瞒行为。事件发生的第一时间,我们已参考《中华人民共和国药典》及中华人民共和国医药行业标准YY/T 1947-2025 《重组胶原蛋白敷料》中重组胶原蛋白含量的检测方法对相关产品进行检测,多批次检测结果胶原蛋白含量均大于0.1%,与网传的“0.0177%添加量”严重不符。具体检测结果如下:

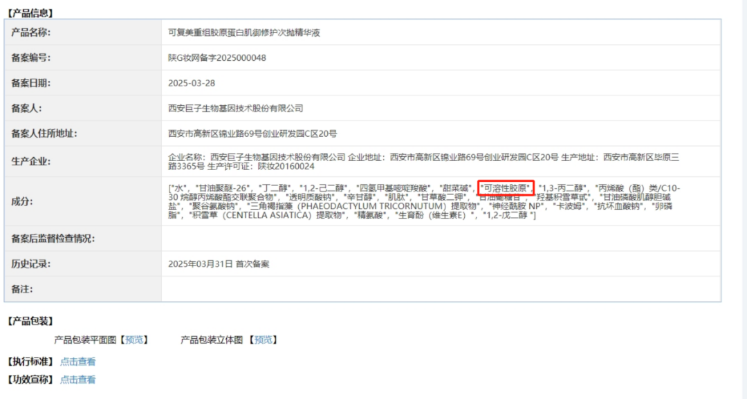
另外根据国家药监局《化妆品标签管理办法》(2021年第77号)中“第十二条化妆品标签应当在销售包装可视面标注化妆品全部成分的原料标准中文名称,以“成分”作为引导语引出,并按照各成分在产品配方中含量的降序列出。化妆品配方中存在含量不超过0.1%(w/w)的成分的,所有不超过0.1%(w/w)的成分应当以“其他微量成分”作为引导语引出另行标注,可以不按照成分含量的降序列出。”之规定,及相关产品在国家药监局国产普通化妆品备案信息系统中可查信息显示,该产品的“可溶性胶原”成分因其添加量大于0.1%(w/w),故而由“成分”作为引导语引出,且根据添加量多少,排序为第七位,与网传的“0.0177%添加量”严重不符。网络上的指控不仅仅是对我司合法诚信经营的不实质疑,更是对国家相关监察管理部门的权威挑战。


诚然,我们也深知,单一的内部检测结果或许无法完全打消消费者的疑虑,因此我们已经委托多家权威第三方检测机构对该相关产品采用多种检测方法进一步进行检测,而检测需要时间,我们拿到最新检测报告后会第一时间公布。且由于化妆品中的重组胶原蛋白含量还没有行业标准及国家标准,此次检测我们参考中华人民共和国医药行业标准YY/T 1947-2025 《重组胶原蛋白敷料》中重组胶原蛋白含量的多种检测方法进行检测。
而不实指控中使用的检测方法并未列入上述行业标准,因该检测方法以及相对应的样品预处理方法未经严格的方法学验证,检测结果不准确。截止目前,对方尚未向我们索要该重组胶原蛋白原料,我们也尚未对外提供或出售该原料,对方是无法进行其所采用检测方法的方法学验证的。因此,其检测结果不可信。
国家药监局也已于2025年启动了化妆品中重组胶原蛋白及其检测方法的行业标准的建立工作,我们也已参与到该工作中去,积极推动行业标准的快速完成,践行重组胶原蛋白领军企业的社会责任,让整个重组胶原蛋白行业有据可依。同时,我们也呼吁化妆品行业各类检测方法的逐步完善,为消费者负责,让消费者买得放心,用得安心。
最后,我们对这种恶意传播不实言论、企图诋毁巨子生物及可复美品牌声誉的行为表示强烈谴责。我们已经收集并固定了相关证据,会尽快启动法律程序,将依法追究造谣者的法律责任,以维护公司的合法权益以及消费者和投资人的利益。
从4月中旬至今,可复美及巨子生物经历了多轮有组织的黑公关攻击,从已经被药监局证实为子虚乌有的“不法添加”到对企业管理层的恶意揣测攻击等,我们原本并不希望陷入无限循环的自证和舆论攻讦,我们更愿意看到的是行业百舸争流,成分百家齐放,国货携手并进。巨子生物始终秉持初心,希望将科学技术从实验室带入到大家的生活中,服务消费者的美丽与健康。公司成立的25年来,我们主持或参与了国家科技部、国家发改委10余项国家级科研项目,获得了国家技术发明奖、中国专利金奖等多项荣誉。同时我们深知消费者的信任和支持是我们发展的基石,消费者及业界对我们的期望是我们前进的动力。我们始终致力于为消费者提供优质、安全、有效的产品,为投资人创造长期稳定的价值回报。

科研和品牌建设的道路上,原本就充满着无数荆棘与坎坷,但巨子生物和可复美永远都拥有重头再来的勇气和能力,科研成就背后是一次次的失败实验,品牌成就背后是一场场看不见的硝烟,而打不倒我们的终将会让我们更加强大,我们相信真相终将大白,正义不会缺席。4月中旬以来,我们积极配合政府监管部门调查核实,严格依法依规整理举报投诉材料,有关举报得到了国家网信部门的大力支持,一大批虚假不实、诋毁诽谤信息已被清除。我们正告恶意诋毁诽谤巨子生物和可复美品牌的有关机构、企业、自媒体人,我们将严格依法依规向有关部门发起起诉、举报,对造谣诋毁我们科学精神和合格产品的不法行为坚决反击,我们在此呼吁,请大家保持理性和清醒,不轻信、不传播未经证实的不实信息,我们将始终坚持依法依规以科学生产,做对得起国家、对得起人民的高科技企业!





























